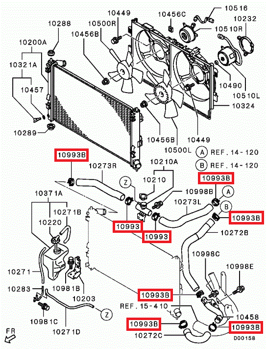
MR404538 Collier d=37mm durite refroidissement moteur E4-10
7,30€ TTC
Vendu à l’unité (4 nécessaires pour Evo 4-9, 8 nécessaires pour Evo 10).
Collier de durite de refroidissement moteur pour Lancer Evo 4 5 6 7 8 9 10.
Diamètre 37mm
Disponible sur commande
Informations complémentaires
| Poids | 0,8 kg |
|---|




